This website is not affiliated with BMW AG in any way, and should not be confused with the websites of BMW AG, BMW M GmbH. All trademarks and registered trademarks are the property of their respective owners.

RealOEM, VIN decoder, bmw, parts catalog, etk, aftermarket accessories. Каталог BMW ETK содержит подробные сведения о запчастях автомобилей, выпущенных компанией BMW с 1928 года.

M1 S38

M1 E26 купе (Cou) ECE

Опции:

Механизм переключения передач МКПП

Механизм переключения передач МКПП
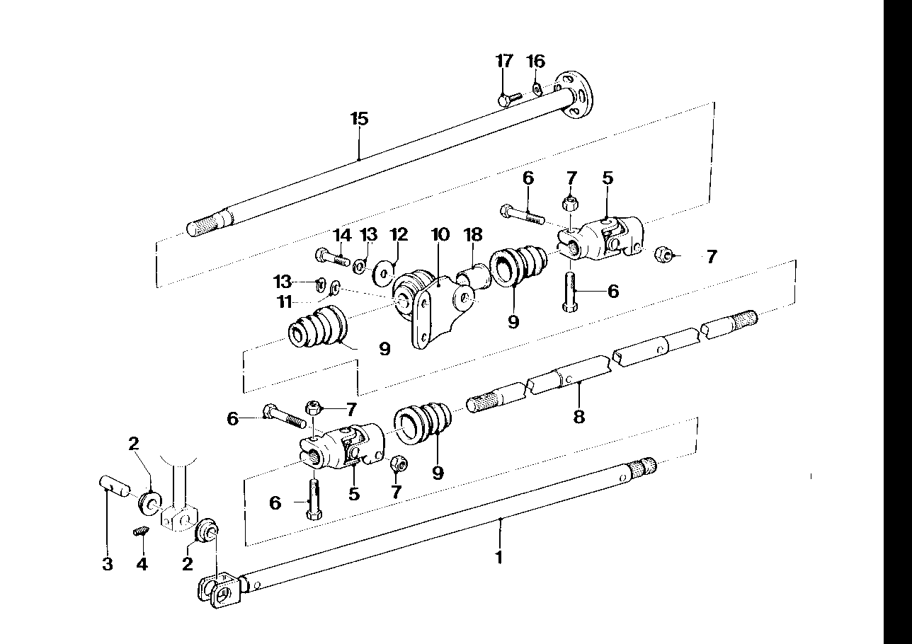
Описание Дополнительно Условия Кол-во Номер детали
01 Тяга привода пер.передач 1
25 11 2161069
02 втулка 2
25 11 2161073
03 Цилиндрический штифт 1
25 11 2161072
04 Установочный винт 1
23 41 1201536
04 Установочный винт 1
25 11 1203551
05 Обойма штока выбора передач 2
25 11 2160669
06 Болт с шестигранной головкой M8X35 по 1980 4
32 31 2161366
06 Болт с шестигранной головкой M 8X40 4
32 31 2161367
07 Гайка шестигранная самоконтрящаяся ZNS3 хром CR(VI), свободно M8-8-ZNS3 4
07 12 9904002
08 Тяга привода пер.передач MITTE 1
25 11 2161066
09 манжета 4
25 11 2160664
10 Обойма штока выбора передач 1
25 11 2160666
11 Прокладочная шайба 8,4X16X1,6-ZNNV 2
07 11 9907030
12 Прокладочная шайба 8,4X24X2-ZNS3 1
07 11 9904164
13 Пружинное кольцо B8 3
07 11 9933096
14 Болт с шестигранной головкой M8X25-8.8-ZNS 3
07 11 9901125
15 Тяга привода пер.передач HINTEN 1
25 11 2161064
17 Болт с шестигранной головкой CrVI-frei M6X12-8.8-ZNNIV 4
07 11 9905524
18 втулка 1
25 11 2161398